一:贴片磁环电感GTCSM 0906C 产品特征
1、尺寸小巧:支持方形 / 圆柱等多封装,底部金属焊盘适配 SMT 贴片工艺,完美契合高密度 PCB 板设计需求。
2、无引脚设计:属于 SMD 器件,通过底部焊盘直连电路板,减少引脚寄生电感与电容,大幅提升高频工作性能。
3、磁环线圈组合:以高磁导率铁氧体磁环为核心,外部绕制铜线线圈,高效实现电能与磁能的相互转换。
二:贴片磁环电感GTCSM 0906C 产品应用
1、消费电子:小体积 + 高频特性 + 低成本,优先用于充电与射频电路
2、汽车 / 工业:车规 / 工业级认证 + 耐高温 + 高可靠性,侧重电源与控制模块
3、通信设备:高精度 + 低损耗 + 抗干扰,适配 5G 高频信号处理
三:贴片磁环电感命名方式
GTCSM0903C-120D
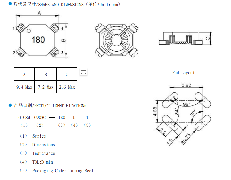
四:贴片磁环电感封装尺寸规格
下面这些相关的产品,一样很精彩哟!
产品繁多,总有一款适合你,更可来图来样定制生产!一:贴片磁环电感GTCSM 0805T 产品特征1、尺寸小巧:底部金属焊盘适配 SMT 贴片工艺,完美契合高密度 PCB 板设计需求。2、无引脚设计:属于 SM...
一:贴片磁环电感封装尺寸规格二、详细规格书下载如下:
一:贴片磁环电感 GTCSM0503S 产品特征1、尺寸小巧:支持方形 / 圆柱等多封装,底部金属焊盘适配 SMT 贴片工艺,完美契合...
一:扁平线圈电感GAFF-Y 产品特征1.符合环保要求2.扁平线绕线结构,超低内阻3.超大电流承载能力,优异的热稳定性4.精准阻抗有效抑制电磁...
一:扁平线圈电感GAFF-Y 产品特征1.符合环保要求2.扁平线绕线结构,超低内阻3.超大电流承载能力,优异的热稳定性4.精准阻抗有效抑制电磁...
苏州谷景电子有限公司,一家从事贴片电感,贴片电感报价,贴片电感生产厂家,贴片电感生产商,贴片电感封装,色环电感,工字电感,磁环电感,线圈电感,贴片...
苏州谷景电子有限公司,一家从事贴片电感,贴片电感报价,贴片电感生产厂家,贴片电感生产商,贴片电感封装,色环电感,工字电感,磁环电感,线圈电感,贴片...
苏州谷景电子有限公司,一家从事贴片电感,贴片电感报价,贴片电感生产厂家,贴片电感生产商,贴片电感封装,色环电感,工字电感,磁环电感,线圈电感,贴片...
苏州谷景电子有限公司,一家从事贴片电感,贴片电感报价,贴片电感生产厂家,贴片电感生产商,贴片电感封装,色环电感,工字电感,磁环电感,线圈电感,贴片...
苏州谷景电子有限公司,一家从事贴片电感,贴片电感报价,贴片电感生产厂家,贴片电感生产商,贴片电感封装,色环电感,工字电感,磁环电感,线圈电感,贴片...
苏州谷景电子有限公司,一家从事贴片电感,贴片电感报价,贴片电感生产厂家,贴片电感生产商,贴片电感封装,色环电感,工字电感,磁环电感,线圈电感,贴片...
苏州谷景电子有限公司,一家从事贴片电感,贴片电感报价,贴片电感生产厂家,贴片电感生产商,贴片电感封装,色环电感,工字电感,磁环电感,线圈电感,贴片...
苏州谷景电子有限公司,一家从事贴片电感,贴片电感报价,贴片电感生产厂家,贴片电感生产商,贴片电感封装,色环电感,工字电感,磁环电感,线圈电感,贴片...
苏州谷景电子有限公司,一家从事贴片电感,贴片电感报价,贴片电感生产厂家,贴片电感生产商,贴片电感封装,色环电感,工字电感,磁环电感,线圈电感,贴片...
苏州谷景电子有限公司,一家从事贴片电感,贴片电感报价,贴片电感生产厂家,贴片电感生产商,贴片电感封装,色环电感,工字电感,磁环电感,线圈电感,贴片...
苏州电感产品的6大优势
精选原料,源头把控品质!专业电感研发团队
定制电感感量、Q值、电流、尺寸、外形等参数
16年品牌电感生产历史
电感产品质量有保障
替代品牌进口电感
目前已有百余家客户使用谷景电感替代进口电感
专业FAE团队
多位资深工程师助您度过电感安规难题
电感产品通过全球SGS鉴定
经过RoHs认证,UL认证,符合GB标准
完善的售后服务
24小时极速处理客户难题,72小时退换无忧
16年专业电感生产、电感定制、电感研发,有着专业的研发生产能力
谷景电子是国内优秀电感生产厂家之一,行业内所认可的知名品牌
上百台全自动绕线机、测包机、焊锡机,实现短时间大批量生产电感
公司目前与夏普电器,松下电器,宜家家居,富士电机,南京航空航天大学等有着战略伙伴关系
拥有专业的FAE团队,数十年安规经验工程师,帮助客户解决电路安规难题
十年为品牌台企、日企生产代工,电感品质性能有保障
常规电感产品性能定制,非常规电感产品材料尺寸定制
拥有专业的电感研发团队与国内外多家磁性研究所元器件厂家合作生产
公司通过IS0质量管理体系认证,国内先进生产工艺,产品批次稳定性高
采用益利素勒进口线材,确保电感产品在拥有更好的耐高温属性
采用台产、日产进口磁芯和骨架,确保电感产品拥有更好的导电性以及耐电流性
每一个电感经过严格的筛选,确保客户使用的电感产品全部合格













以质量求生存,以信誉求发展,满足合同规定及潜在需求!

全国咨询热线
0512-66715887